TWIN FU-NUT普通扭矩型精密自鎖螺母
尺寸表 TWIN FU-NUT
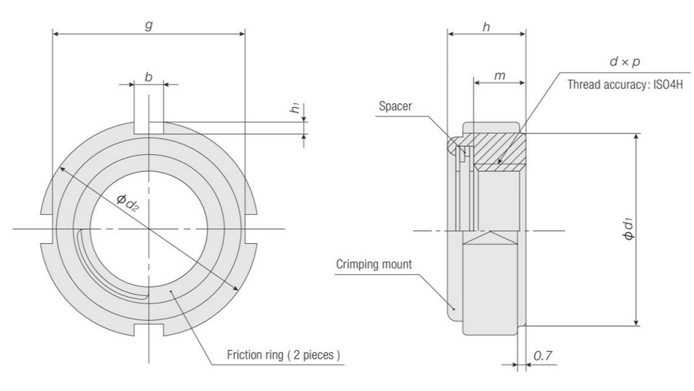
螺紋精度:ISO4H 單位:mm
| 品號 | d×p | 座面直徑 (φd1) | 外徑 (φd2) | 全高 (h) | 螺紋高度 (m) 約 | 槽寬 (b) | 槽深 (h1) | 槽對邊 (g) | 螺栓余長 ?min | 單重 (g) 約 | 容許軸向 靜載荷 (kN) | |||||
|---|---|---|---|---|---|---|---|---|---|---|---|---|---|---|---|---|
| TFU02SC | M15 × 1 | 21.0 | 0 -0.3 | 25 | 0 -0.5 | 9.9 | ±0.5 | 7 | 4 | ±0.2 | 1.8 | 21.4 | 0 -0.5 | 10.5 | 19.0 | 34.1 |
| TFU03SC | M17 × 1 | 23.5 | 28 | 10.1 | 7 | 4 | 2.0 | 24.0 | 10.5 | 24.0 | 38.6 | |||||
| TFU04SC | M20 × 1 | 27.0 | 32 | 12.3 | 9 | 4 | 2.0 | 28.0 | 12.5 | 38.0 | 59.4 | |||||
| TFU05SC | M25 × 1.5 | 33.0 | 38 | 14.2 | 10 | 5 | 2.0 | 34.0 | 15.3 | 59.0 | 80.8 | |||||
| TFU06SC | M30 × 1.5 | 40.0 | 45 | 14.3 | 10 | 5 | 2.0 | 41.0 | 15.3 | 82.0 | 97.0 | |||||
| TFU07SC | M35 × 1.5 | 47.0 | 52 | 16.5 | 12 | 5 | 2.0 | 48.0 | 17.3 | 125.0 | 137.8 | |||||
| TFU08SC | M40 × 1.5 | 52.0 | 58 | 17.6 | 13 | 6 | 2.5 | 53.0 | 18.3 | 150.0 | 171.4 | |||||
| TFU09SC | M45 × 1.5 | 59.0 | 65 | 19.7 | 15 | 6 | 2.5 | 60.0 | 20.3 | 210.0 | 224.5 | |||||
| TFU10SC | M50 × 1.5 | 64.0 | 70 | 20.8 | 16 | 6 | 2.5 | 65.0 | 21.3 | 255.0 | 266.8 | |||||



<
<
<
<
在線客服1